De LR44 is een alkalinebatterij die gebruikt wordt in elektronische apparaten. Dit artikel biedt de meest uitgebreide informatie over deze batterij. Je leert meer over de eigenschappen van de LR44-batterij en welke alternatieven er zijn. Je leert ook hoe je de batterij correct plaatst en of deze opgeladen kan worden.
- Alternatieven voor LR44-batterijen
- 4lr44 6v batterij-analogen
- Kenmerken van de LR44-batterij
- Afmetingen van een platte batterij
- Formulier
- Markering
- Spanning
- Capaciteit
- Stroom
- Hoeveel weegt een knoopcelbatterij van dit type?
- Batterijsamenstelling
- Hoe laad ik een LR44-batterij op?
- Oplader voor LR44
- Laadcircuitdiagram
- De LR44-batterij vervangen
- Hoe plaats ik LR44-batterijen?
- Hoe plaats ik LR44-batterijen in een zaklamp?
- Hoe lang gaat de batterij van de LR44 mee?
- Waar worden LR44-batterijen gebruikt?
- Hoe test je een LR44-batterij met een simpele test?
- Soorten LR-batterijen
- Het verschil tussen sommige tabletbatterijen
Alternatieven voor LR44-batterijen
Naast de standaardnaam bestaan er ook andere benamingen. De LR44-voeding heeft de volgende equivalenten:
- AG13 Kameel
- G13
- L1154
- 157
- RW82
- G13A
- SR44
- D357/303
- SP357
- SR44W
- V357
- AG13
- PX76
- 675
- L1154
- AG13
- A76
- PX76A
- A76-1
- V13GA
- Huisarts76A
- SR44SW
- 1166A
Deze lijst bevat dus vrijwel alle alternatieven voor de LR44-batterij. U hoeft zich dus geen zorgen meer te maken over waarmee u ze moet vervangen.
Vergelijkbare stroombronnen worden door verschillende bedrijven geproduceerd. Je kunt batterijen in winkels vinden. DuracellLR44 of LR44-batterij kameel.
Analoge varianten van de 4lr44-batterij voor 6 v
De LR44-voeding heeft een verwant: de 4LR44 6V-voeding. Er bestaan ook analoge varianten.
Lijst met vervangingsopties voor deze batterij:
- 476A
- GP476A
- L1325
- Golden Power Px28A
- Energiegever A544
- Duracell 28A
- Varta V4034PX
- PX28A
De 6 volt 4lr44-batterij heeft dus ook een groot aantal vergelijkbare varianten.
Kenmerken van de LR44-batterij
In dit gedeelte worden de technische kenmerken van de LR44-batterij beschreven.
Afmetingen van een platte batterij
De LR44-batterij heeft een diameter van 11,6 mm en een hoogte van ongeveer 5,4 mm.
Dankzij deze batterijparameters kan de batterij onopgemerkt in elektronische apparaten worden geïnstalleerd.
Formulier
Hoe ziet een LR44-batterij eruit? Het is een platte, cilindrische batterij, die doet denken aan een pil. Je zou het een ronde, afgeplatte batterij kunnen noemen.
Markering
Op de batterij staat LR44. Wat betekenen de letters en cijfers? De letteraanduiding geeft aan dat deze knoopcelbatterijen alkaline zijn. Het cijfer 44 geeft aan dat het een knoopcelbatterij van een specifiek formaat is.
Deze tabel laat zien dat LR44 hetzelfde is als AG13 of A76, enzovoort. Als er geen 44e batterij beschikbaar is, kan deze worden vervangen door een andere.
Spanning
Wanneer mensen bijvoorbeeld een nieuwe stroombron nodig hebben, zoals voor een horloge, vragen ze zich af: welke moet ik kopen? Als ik een LR44-batterij koop, hoeveel volt heeft die dan?
De spanning van een knoopcelbatterij is 1,5 volt. Als u de LR44 1,5V-batterij vervangt door een AG13-batterij, kan er een spanningsverschil van 0,05 volt optreden. Deze afwijking is niet ernstig.
Capaciteit
Meestal bepaalt de batterijcapaciteit hoe lang de batterij meegaat. CapaciteitDe capaciteit van deze energiebron bedraagt maximaal 110 mAh.
Stroom
Soms rijst de vraag: hoeveel ampère heeft een LR44-accu? De accu is vrij klein, dus je moet niet veel vermogen verwachten.
De stroomsterkte van de LR44-batterij bedraagt 0,22 mA.
Hoeveel weegt een knoopcelbatterij van dit type?
Het gewicht van deze alkalinebatterij is 1,95 g.
Batterijsamenstelling
De LR44-batterij bestaat uit:
- Metalen behuizing
- Alkaliën
- Hengel
- Isolerende scheidingswanden
- Anode
- Kathode
Niet alleen tabletbatterijen hebben een vergelijkbare samenstelling, maar ook sommige andere batterijen.
Hoe laad ik een LR44-batterij op?
Is het mogelijk om een LR44-batterij op te laden? Velen beweren van niet. Er bestaan echter methoden waarmee je deze minibatterij wel kunt opladen.
Er zijn drie oplaadmethoden:
- Een simpele verwarmingsmethode. Dit kan op een fornuis of met een aansteker. Deze methode is gevaarlijk en kan leiden tot een explosie van de stroombron.
- Laad de batterij op met een gewone telefoonoplader. Het is belangrijk dat het uiteinde van de kabel een ronde connector heeft. Het is ook belangrijk om te weten waar de "+" en "-" polen zich bevinden. Sluit de kabels van de oplader aan op de overeenkomstige polen van de batterij en houd ze in uw hand. Als u aanzienlijke hitte voelt, koppel de kabel dan onmiddellijk los. Dit kan een explosie veroorzaken.
- Soldeer een eenvoudige oplader volgens het onderstaande schema.
De meegeleverde oplaadtips zijn uiterst gevaarlijk en het gebruik ervan is geheel voor eigen risico. Om risico's te vermijden, kunt u het beste een nieuwe stroombron aanschaffen.
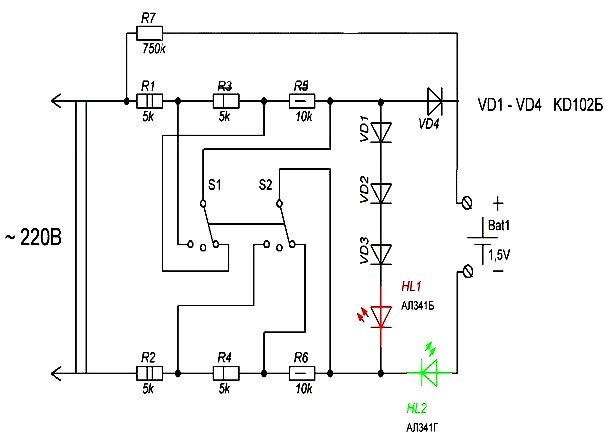
Oplader voor LR44
Op internet werd een schema gevonden van een oplader voor IR44-batterijen en soortgelijke batterijen.
Als de onderdelen aan elkaar gesoldeerd zijn, ziet het er zo uit:
Laadcircuitdiagram
Oplader Voor LR44-batterijen gebruikt de lader KD 102B-diodes, maar KD 105B-diodes zijn ook geschikt. De maximale uitgangsstroom is vastgesteld op 10 mA. Hoe feller de groene LED brandt, hoe verder de batterij ontladen is. De oplaadtijd varieert van 3 tot 12 uur, afhankelijk van de ontladingsgraad.
De LR44-batterij vervangen
LR44-batterijen zijn eenvoudig te vervangen. Voor sommige apparaten is echter een schroevendraaier nodig. Meestal bestaat het vervangingsproces uit een aantal stappen:
- De bouten losdraaien
- Het deksel van het batterijcompartiment verwijderen
- Gebruikte elementen verwijderen
- Nieuwe voedingen installeren
- Het deksel sluiten
- Bouten in tegengestelde richting vastdraaien.
Hoe plaats ik LR44-batterijen?
De video laat in sneltempo zien hoe je een miniatuurvoeding vervangt.
De video laat zien hoe je LR44-batterijen op de juiste manier in het speelgoed plaatst.
Hoe plaats je batterijen? LR44 in een zaklamp?
Om de voeding in de zaklamp te plaatsen, hoeft u alleen maar de kap te verwijderen en de voeding volgens de polariteit aan te sluiten. Bij de zaklamp op de afbeelding is de negatieve pool de negatieve pool. batterijpolariteitgeplaatst op een veer.
Hoe lang gaat de batterij van de LR44 mee?
De levensduur van de batterij hangt af van het apparaat waarmee de batterij wordt gevoed. Deze batterij heeft echter een standaard levensduur van 3 jaar.
Bij sommige krachtige speeltjes gaat de stroombron 30 tot 60 minuten mee.
Waar worden dit soort batterijen gebruikt? Lr44?
Apparaten die gebruikmaken van een miniatuurvoeding:
- Rekenmachines.
- Toetsenborden, computermuizen.
- Sommige medische hulpmiddelen.
- Afstandsbedieningen.
- Spelconsoles.
- Sleutelhangers.
- Uren.
- Laserpointers.
- In tamagotchi.
- Spelers
- Thermometers, enz.
Hoe test je een LR44-batterij met een simpele test?
De video toont een analoge LR44-batterijtester. Er bestaat echter ook een digitale versie.
Het testen van LR44-batterijen met dit apparaat is heel eenvoudig! Je hoeft alleen maar de tester aan te zetten, de stroombron op het platform te plaatsen en deze met een speciale schuifregelaar naar beneden te drukken. Zodra de contacten verbonden zijn, verschijnt de spanningswaarde automatisch op het display.
Deze video laat zien hoe je de spanning van een knoopcelbatterij meet met een digitale multimeter.
Soorten LR-batterijen
Deze familie omvat 8 hoofdsoorten:
Het verschil tussen sommige tabletbatterijen
Het verschil tussen SR44- en LR44-batterijen zit hem in de materialen en stoffen waaruit ze zijn gemaakt, en nog veel meer. Bijvoorbeeld: sr44Het is een zilver-zinkelement. Het kost iets meer dan een 44V-voeding. Plus batterijcapaciteitgelijk aan 150 mAh. Dit betekent dat hij langer meegaat dan de hierboven beschreven batterij.
Soortgelijke ronde exemplaren platte voedingeneenheden grootte.





















